信息公开

大悍对外信息公开中心




N E W S     C E N T E R
       
 当前所在位置: 首页 / 信息公开 / 其他公开

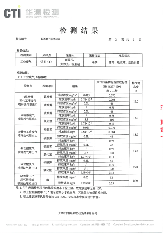
2016年9月20日环境监测报告-废气、噪声

作者:wenhongbin     发布时间:2016/9/23 13:07:31     来源:CTI.

微信截图_20170717130624.jpg




Copyright © 大悍(天津)汽车零部件有限公司 All Rights Reserved 津ICP备15046888号