English
|
简体中文
|
企业邮箱
首页
公司概况
公司介绍
资质证书
企业设备
客户群体
主要产品
格栅
装饰条
真空镀膜
内外门把手
轮毂装饰罩
质量体系
品质方针
环境方针
体系证书
实验实力
制造优势
全自动电镀流水线
喷涂能力
注塑能力
真空镀膜车间
信息公开
基础信息
排污信息
防治污染
项目环境
突发应急
其他公开
联系我们
信息公开
大悍对外信息公开中心
N E W S C E N T E R
信息公开
基础信息
排污信息
防治污染
项目环境
突发应急
其他公开
当前所在位置:
首页
/
信息公开
/
其他公开
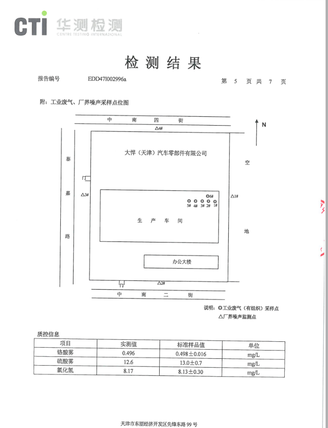
2016年12月份环境监测报告--废气、噪声
作者:wenhongbin 发布时间:2017/1/6 14:45:57 来源:CTI
上一篇 :
2016年7月14日环境监测报告-废水
下一篇 :
2016年9月20日环境监测报告-废气、噪声
返回
首页
|
公司概况
|
主要产品
|
质量体系
|
制造优势
|
信息公开
|
联系我们
Copyright © 大悍(天津)汽车零部件有限公司 All Rights Reserved
津ICP备15046888号
top